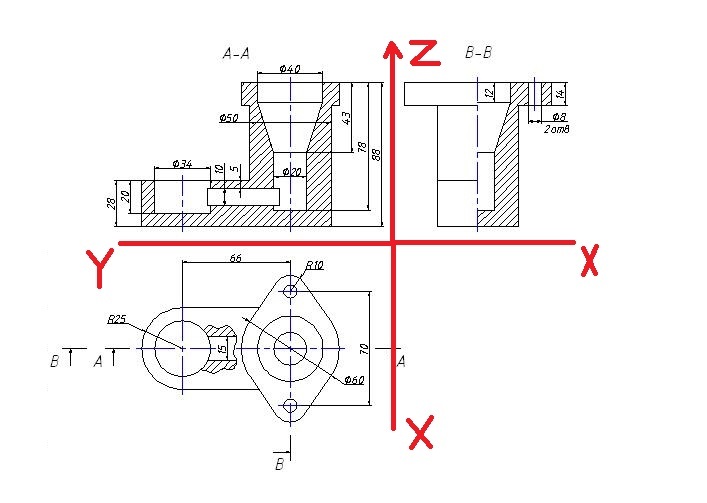
Деталь в AutoCAD

Деталь в AutoCAD — Изображение №1 — Графика, 3D на Dprofile
Деталь в AutoCAD — Изображение №2 — Графика, 3D на Dprofile
Деталь в AutoCAD — Изображение №3 — Графика, 3D на Dprofile
Деталь в AutoCAD — Изображение №4 — Графика, 3D на Dprofile

Оценить

Добавить в коллекции...

От автора